Testa di taglio laser robotizzata 3D da 3 kW
LCR03
Testa di taglio laser con messa a fuoco manuale e asse di inseguimento integrato per il taglio di forme 3D complesse
LCR03
Testa di taglio laser con messa a fuoco manuale e asse di inseguimento integrato per il taglio di forme 3D complesse
Le nostre teste di taglio laser robotizzate 3D da 3 kW con messa a fuoco manuale utilizzano il raffreddamento ad acqua per mantenere la temperatura costante durante i lunghi cicli di lavoro, garantendo così prestazioni stabili. In caso di urto, la protezione anticollisione si ripristina automaticamente. L'alloggiamento della testa di taglio laser è leggero e sigillato contro la polvere, il che ne facilita la manipolazione e la manutenzione. L'ottica utilizza un set di finestre protettive a tre strati che resiste all'usura e impedisce la contaminazione.
| Tipologia | Testa di taglio laser robotizzata 3D con messa a fuoco manuale |
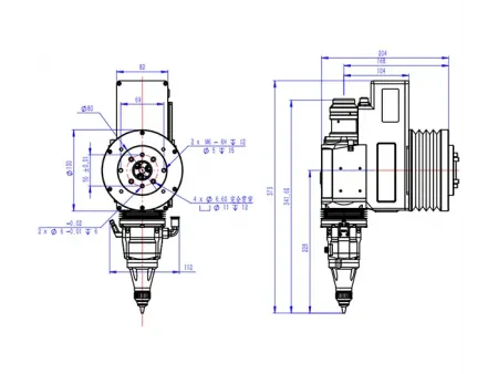
| Modello | LCR03 |
| Modalità di messa a fuoco | messa a fuoco manuale |
| Tipo di interfaccia | QBH |
| Lunghezza d'onda | 1080±10nm |
| Potenza nominale | ≤4kW |
| Lunghezza focale | 150mm / 125mm |
| Lunghezza di collimazione | 75mm |
| Intervallo di messa a fuoco | -12mm~ 12mm / -9mm~ 9mm |
| Intervallo di regolazione del centraggio | ±1.5mm |
| Precisione di posizionamento della messa a fuoco manuale | 0.1mm |
| Corsa di follow-up | 27mm |
| Velocità di follow-up | ≤250mm/s |
| Pressione del gas ausiliario | ≤2.5MPa |
| Peso | 5kg |
Queste teste di taglio laser 3D funzionano su macchine da taglio a cinque assi e celle robotizzate per carrozzerie automobilistiche, paraurti e altri pannelli esterni. Sono in grado di lavorare lamiere di acciaio al carbonio, alluminio, rame e metallo zincato con qualità costante.
Il raffreddamento ad acqua a circuito chiuso sull'interfaccia/connettore QBH mantiene la temperatura stabile e previene la condensa sull'ottica, garantendo così la costanza anche nelle lunghe sessioni di lavoro.
Un sistema di posizionamento conico a tre punti riporta la testina nella posizione originale dopo un urto, garantendo un allineamento preciso.
Il modulo seguipiano integrato (controllo capacitivo della distanza) è completamente sigillato e leggero, impedisce l'ingresso di polvere e traccia rapidamente le superfici per un taglio preciso e ad alta velocità.
Tre finestre protettive proteggono le ottiche di messa a fuoco principali da schizzi e polvere, migliorando la durata nella produzione quotidiana.
Un supporto sensibile del sensore utilizza viti a taglio (progettate per rompersi in modo sicuro in caso di impatto) per proteggere la testa e inviare contemporaneamente un segnale di arresto in caso di collisione al controller.
Il rilevamento delle collisioni si collega al sistema di controllo per interrompere immediatamente l'alimentazione dopo l'impatto, prevenendo ulteriori danni.

